Description
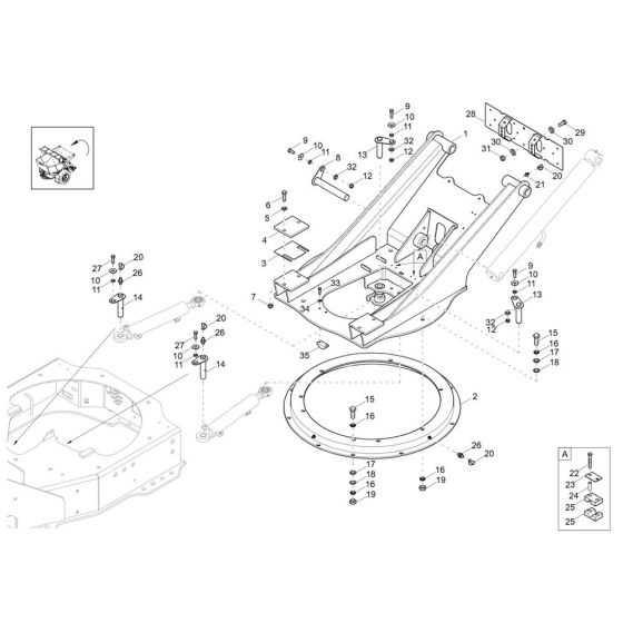
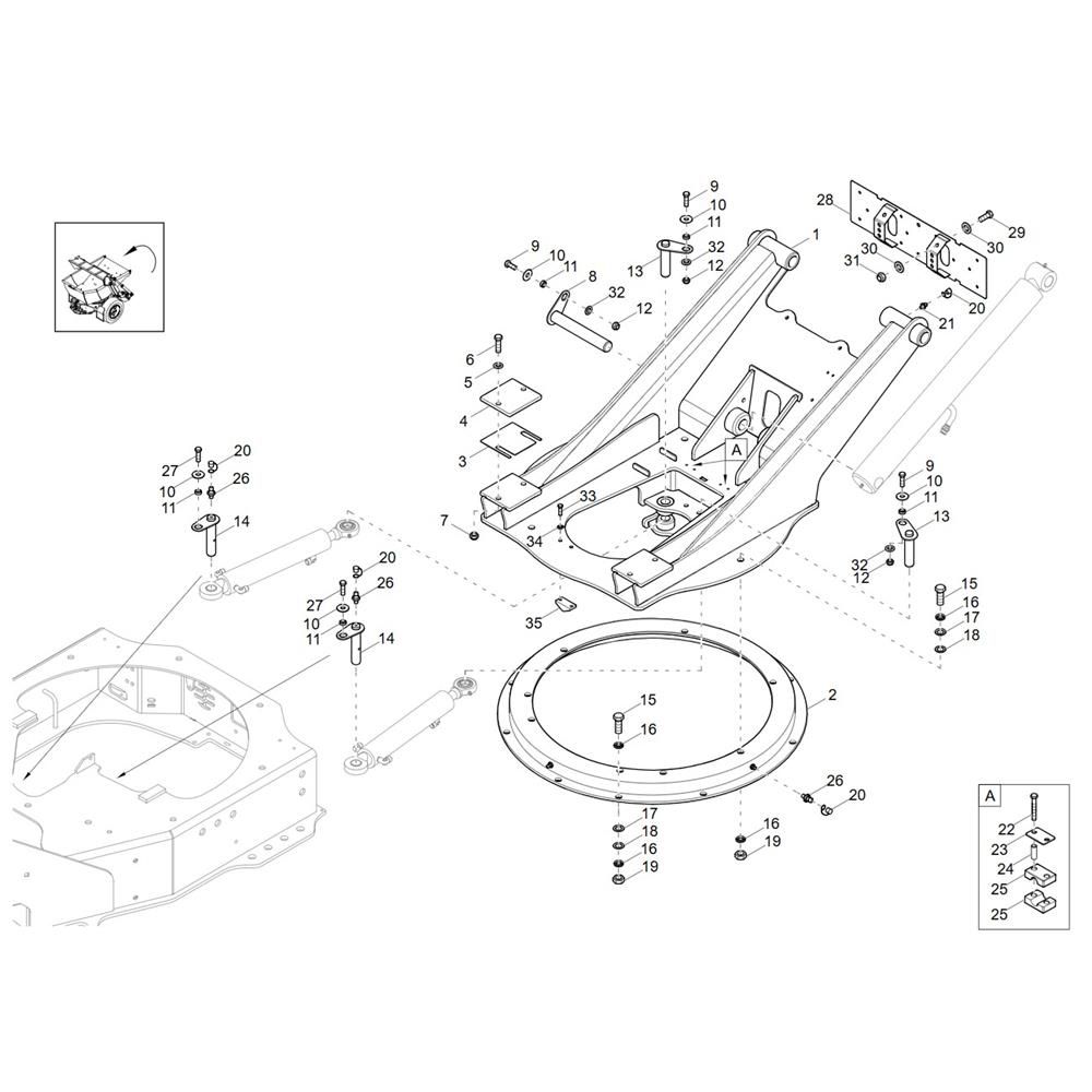
The Swing Bracket Assembly for the Wacker DW20-2 Dumper is designed to ensure optimal performance and durability. This assembly plays a crucial role in the dumper's operation, providing stability and support during use. It includes essential components such as brackets, pins, and bushings, which are vital for maintaining the machine's structural integrity. Suitable for routine maintenance and repairs, this assembly helps extend the lifespan of your equipment.
Reviews
Add a review
Write Your Own Review
Ask a Question
Customer Questions

