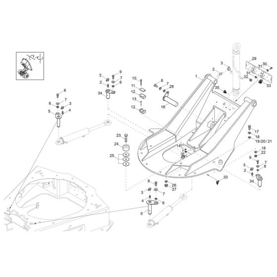
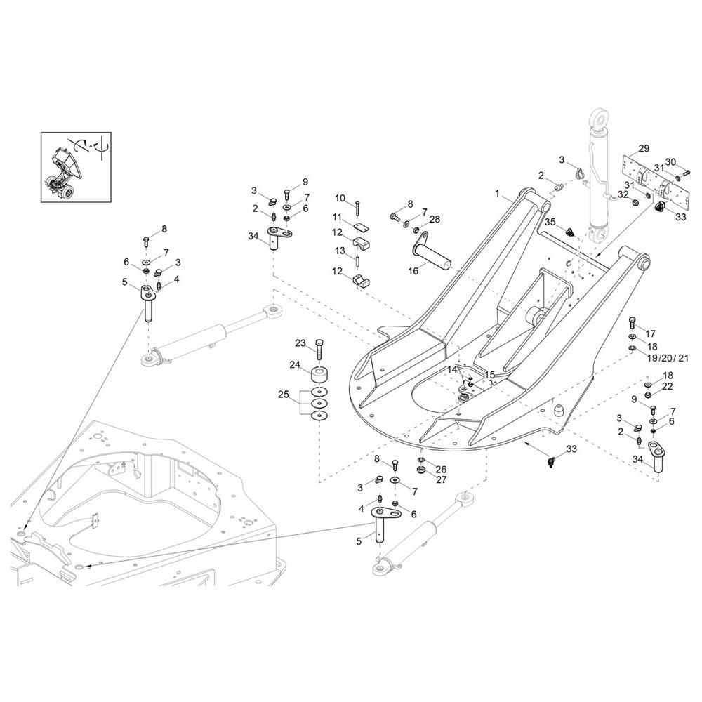
Description
The Swing Bracket Assembly for the Wacker DV60-2 Dumper is designed to ensure optimal performance and durability. This assembly includes key components that facilitate the smooth operation of the dumper's swing mechanism. Genuine Wacker Neuson parts ensure compatibility and reliability, maintaining the machine's efficiency and longevity.
Reviews
Add a review
Write Your Own Review
Ask a Question
Customer Questions

