Description
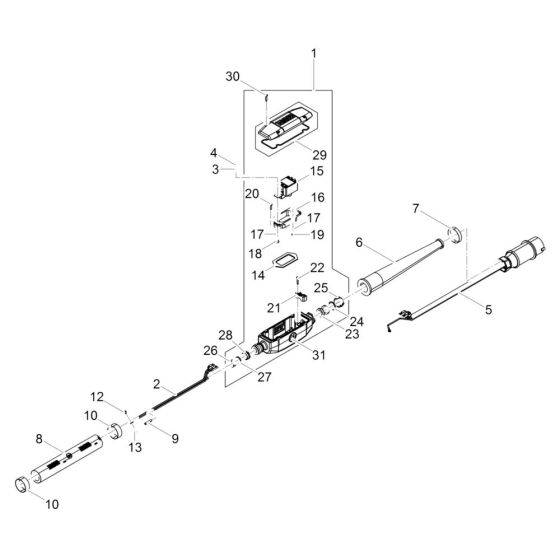
The Switch Box Assembly for the Wacker IREN 57k/115 Vibrator is designed to ensure optimal control and functionality. This assembly includes key components such as switches, connectors, and wiring, essential for maintaining the vibrator's performance. Genuine Wacker Neuson parts ensure compatibility and reliability, supporting efficient operation in construction and industrial settings.
Reviews
Add a review
Write Your Own Review
Ask a Question
Customer Questions

