Description
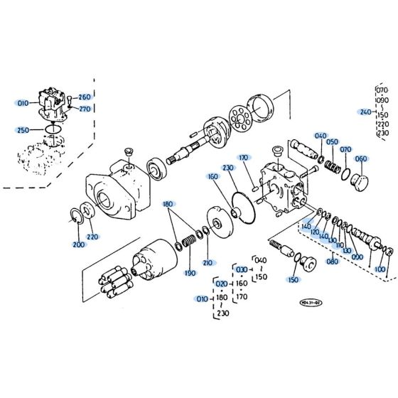
The Swivel Motor Assembly for the Kubota KH35 Mini Excavator is a crucial component for efficient machine operation. It enables smooth rotation and manoeuvrability, enhancing the excavator's performance. This assembly includes genuine Kubota parts, ensuring compatibility and reliability. Key components may include seals, bearings, and gears, all designed to maintain optimal function.
Reviews
Add a review
Write Your Own Review
Ask a Question
Customer Questions

