Description
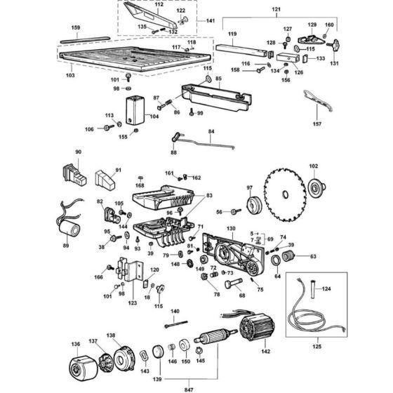
The Table Assembly for the DeWalt DW710 Type 4 Mitre Saw is a crucial component for ensuring precise and stable cutting operations. This genuine DeWalt part includes essential elements such as the table base, supports, and adjustment mechanisms. Designed to provide a reliable foundation, it enhances the accuracy and efficiency of your mitre saw, making it suitable for various woodworking tasks.
Reviews
Add a review
Write Your Own Review
Ask a Question
Customer Questions

