Description
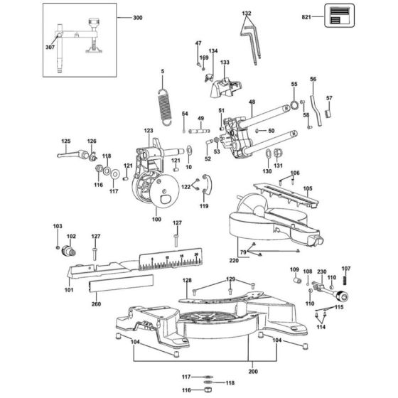
The Table Assembly for the DeWalt DW770 Type 2 Mitre Saw is a genuine DeWalt part designed to support precise cutting operations. This assembly includes components that ensure stability and accuracy, such as mounting brackets, support arms, and locking mechanisms. Essential for maintaining the saw's performance, it helps achieve clean and accurate cuts.
Reviews
Add a review
Write Your Own Review
Ask a Question
Customer Questions

