Description
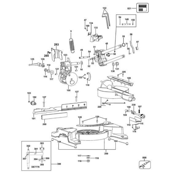
The Table Assembly for the DeWalt DWS771 Type 1 Mitre Saw is designed to provide a stable and precise platform for cutting tasks. This genuine DeWalt part ensures compatibility and reliability. The assembly includes components such as the table base, supports, and adjustment mechanisms, essential for maintaining accuracy and efficiency during operation.
Reviews
Add a review
Write Your Own Review
Ask a Question
Customer Questions

