Description
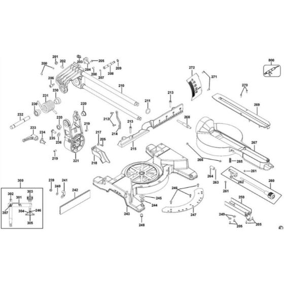
The Table Assembly for the DeWalt DWS778 Type 1 Mitre Saw is a genuine DeWalt part designed to ensure precise and stable cutting operations. This assembly includes key components such as the table base, locking mechanisms, and adjustment levers, which are essential for maintaining accuracy and safety during use. Suitable for routine maintenance and repair, it supports the saw's performance and longevity.
Reviews
Add a review
Write Your Own Review
Ask a Question
Customer Questions

