Description
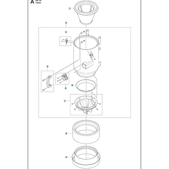
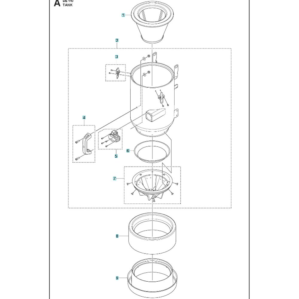
The Tank Assembly for the Husqvarna DE110H Dust Extractor is designed to ensure optimal dust collection and containment. This assembly includes key components that maintain the extractor's efficiency and reliability. Genuine Husqvarna parts ensure compatibility and performance, helping to extend the lifespan of your dust extractor.
Reviews
Add a review
Write Your Own Review
Ask a Question
Customer Questions

