Description
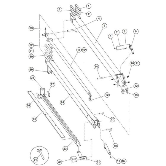
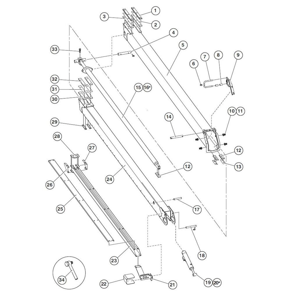
The Telescope-1 Assembly for Niftylift HR21 SP64 4X4 Access Platforms is a crucial component for ensuring optimal reach and stability during operation. This genuine Niftylift part is designed to maintain the platform's performance by providing reliable extension and retraction. Components typically include telescopic sections, hydraulic cylinders, and mounting brackets.
Reviews
Add a review
Write Your Own Review
Ask a Question
Customer Questions

