Description
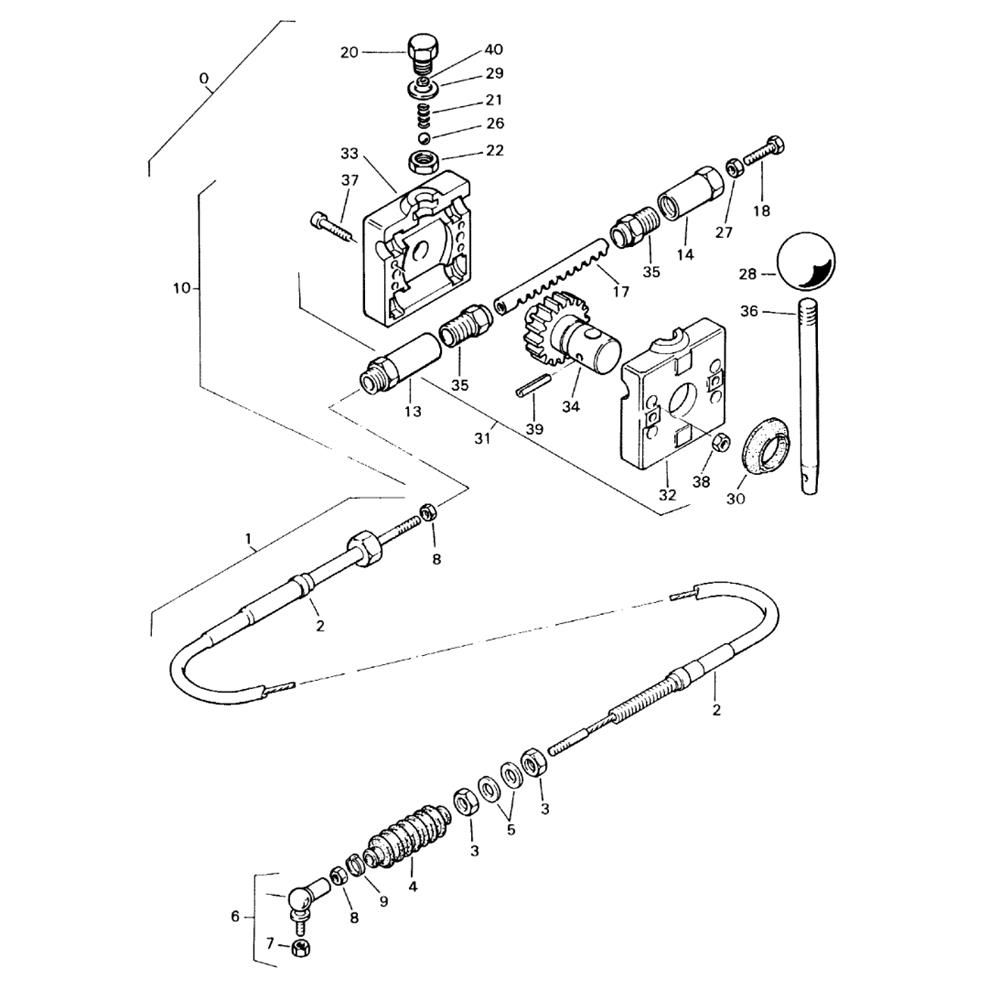
The Throttle Actuation Cable Assembly for the Bomag BW 71 E Roller ensures precise control and operation. Designed for serial numbers 101620200682 to 101620201000, this assembly includes components essential for maintaining throttle responsiveness and efficiency. Genuine Bomag parts guarantee compatibility and reliability for your roller's performance.
Reviews
Add a review
Write Your Own Review
Ask a Question
Customer Questions

