Description
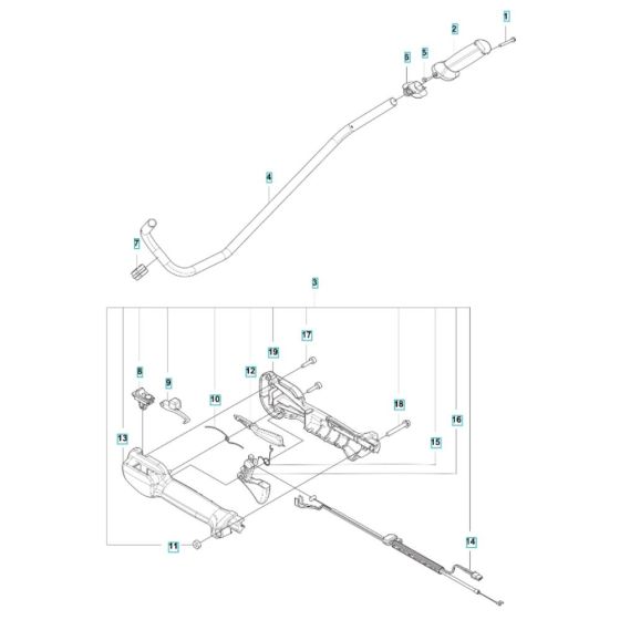
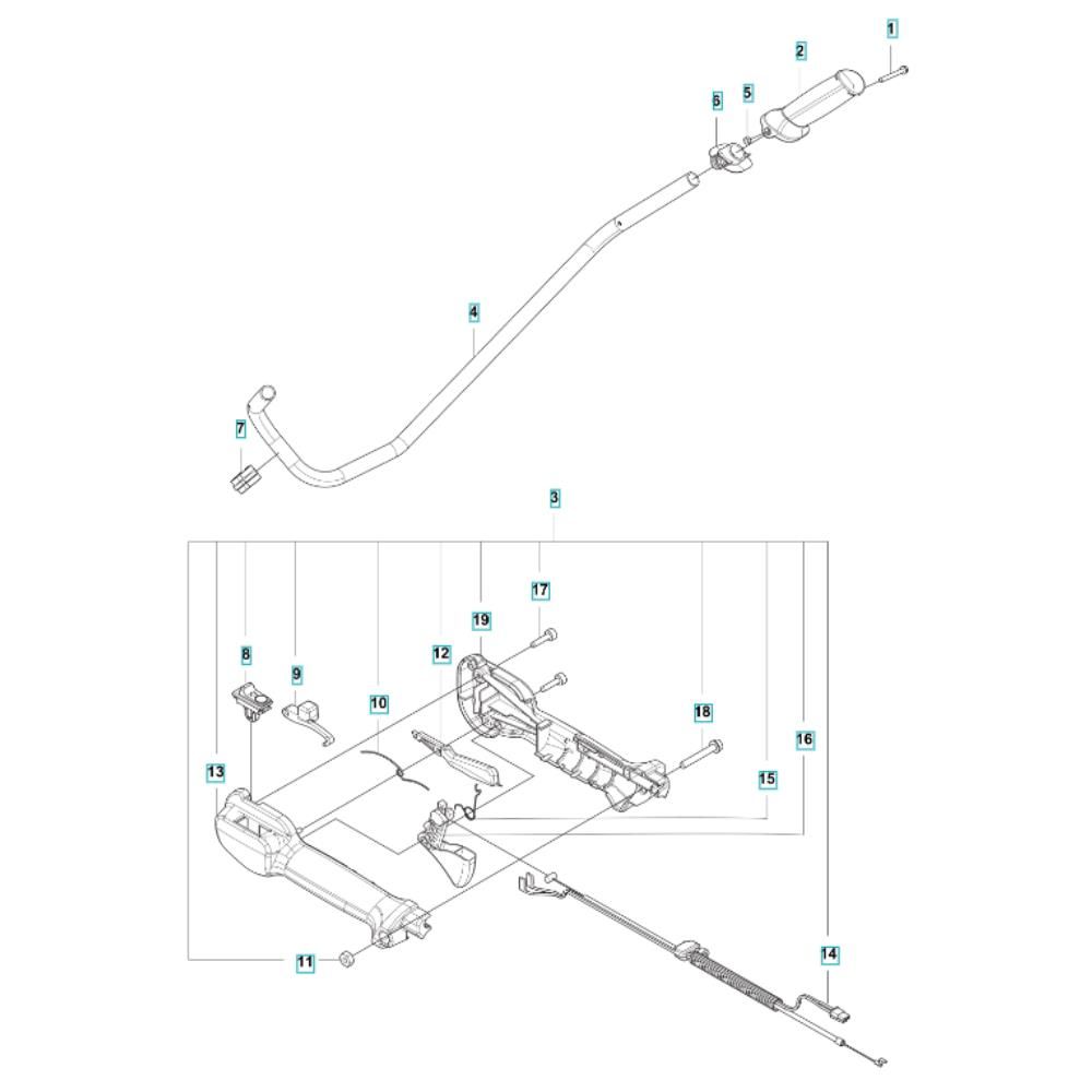
The Throttle Assembly for the Husqvarna 122R Brushcutter is designed to ensure precise control and efficient operation. This assembly includes components such as cables, levers, and springs, which are essential for maintaining the brushcutter's performance. Genuine Husqvarna parts ensure compatibility and reliability, making it ideal for routine maintenance and repairs.
Reviews
Add a review
Write Your Own Review
Ask a Question
Customer Questions

