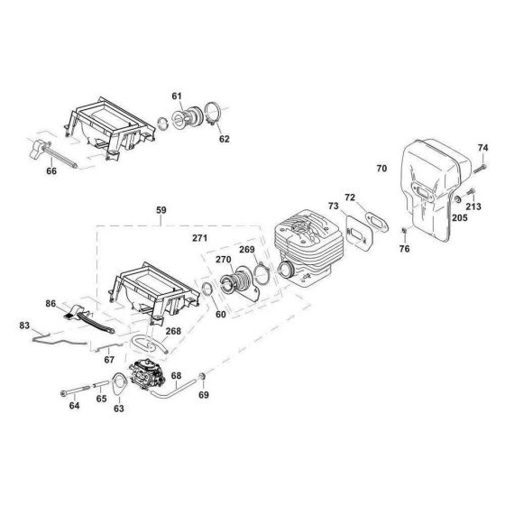
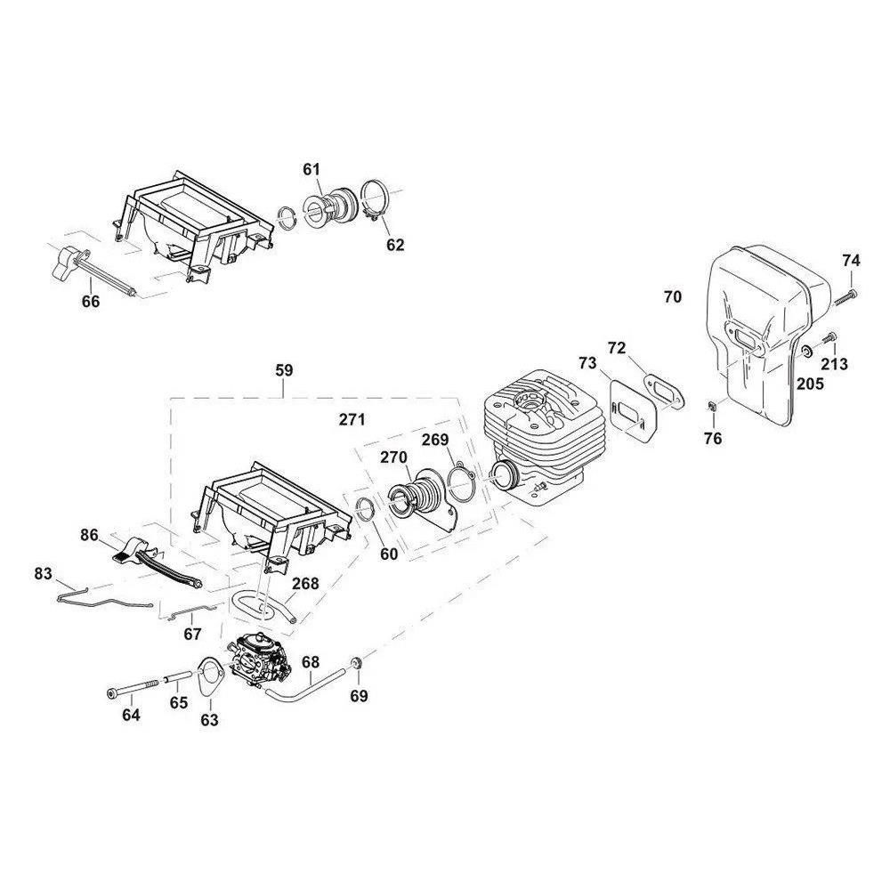
Description
The Throttle Assembly for the Makita DPC6431 Disc Cutter includes key components to ensure precise control and efficient operation. Designed for maintenance and repair, it helps regulate engine speed and performance. Typical parts include cables, springs, and levers, essential for smooth functionality.
Reviews
Add a review
Write Your Own Review
Ask a Question
Customer Questions

