Description
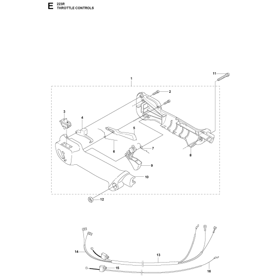
The Throttle Controls Assembly for Husqvarna 223R Brushcutters includes essential components to ensure precise engine speed management. Designed for optimal performance, it features parts such as cables, levers, and springs. These components work together to provide smooth operation and reliable control, enhancing the efficiency of your brushcutter. Available in genuine and non-genuine options.
Reviews
Add a review
Write Your Own Review
Ask a Question
Customer Questions

