Description
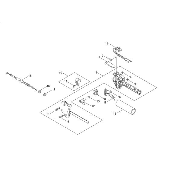
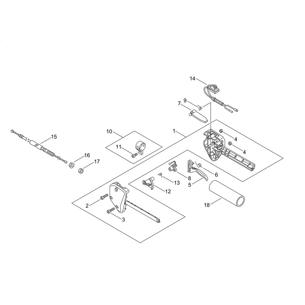
The throttle for the ECHO SRM-236TES/L Brushcutter is essential for controlling engine speed and ensuring efficient operation. This component is crucial for maintaining the performance and reliability of your brushcutter. Available in genuine and non-genuine parts, it fits perfectly with the ECHO SRM-236TES/L model, providing smooth and responsive control during use.
Reviews
Add a review
Write Your Own Review
Ask a Question
Customer Questions

