Description
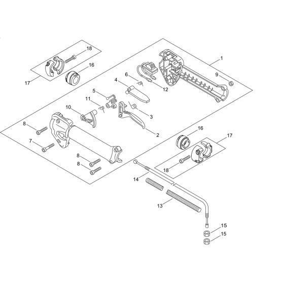
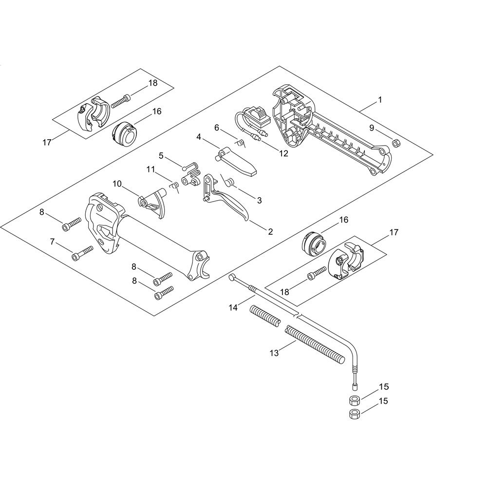
The throttle for the ECHO SRM-300TES/L Brushcutter is designed to provide precise control over engine speed, ensuring efficient cutting performance. Essential for maintaining optimal operation, it includes components such as cables, levers, and springs. Available in genuine and non-genuine options, these parts help maintain the brushcutter's reliability and longevity.
Reviews
Add a review
Write Your Own Review
Ask a Question
Customer Questions

