Description
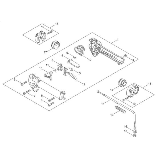
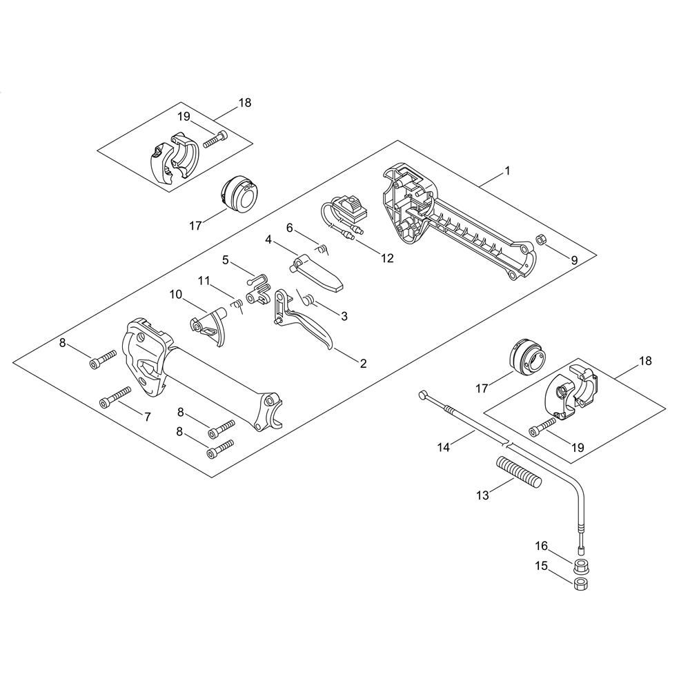
The throttle for the ECHO SRM-3021TES/L Brushcutter is designed to provide precise control over engine speed, enhancing performance and efficiency. This component is crucial for managing power output during trimming tasks. Available in both genuine and non-genuine parts, it ensures compatibility and reliability for maintaining your brushcutter's optimal function.
Reviews
Add a review
Write Your Own Review
Ask a Question
Customer Questions

