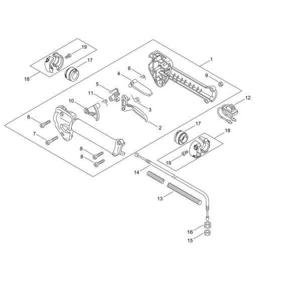
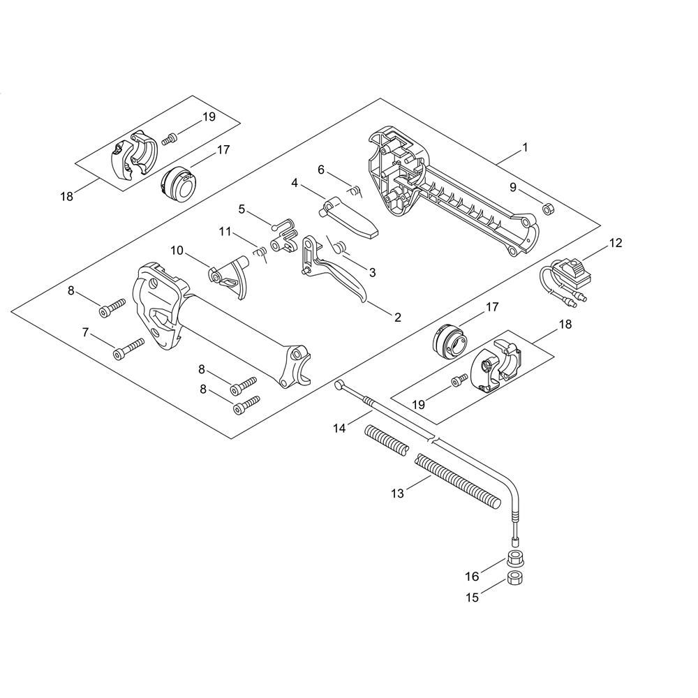
Description
The throttle for the ECHO SRM-3611T/L Brushcutter is essential for controlling engine speed and ensuring efficient operation. Designed to fit this specific model, it helps maintain optimal performance during trimming and cutting tasks. Available in genuine and non-genuine parts, it provides flexibility for repairs and replacements.
Reviews
Add a review
Write Your Own Review
Ask a Question
Customer Questions

