Description
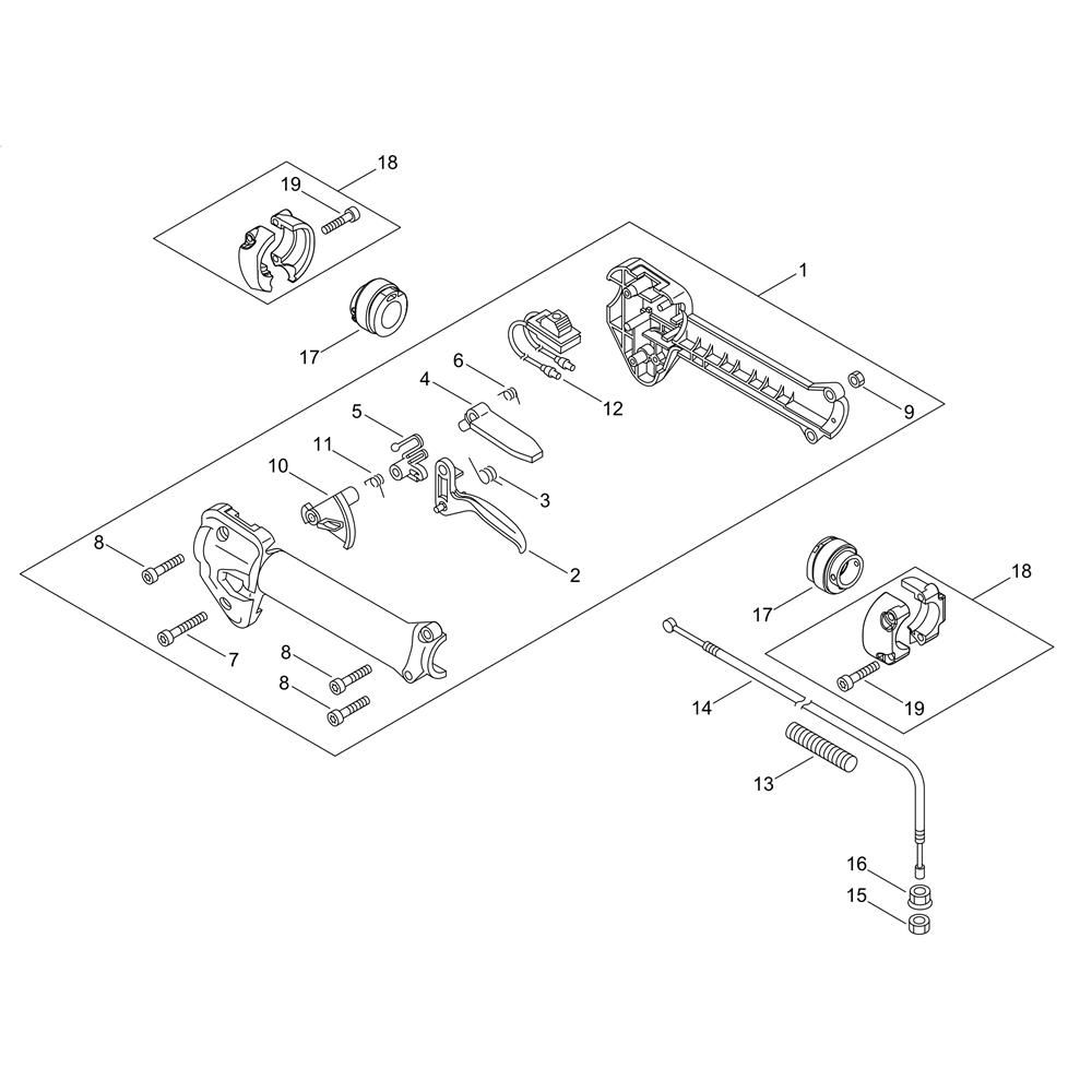
The throttle for the Shindaiwa T302TS Brushcutter is an essential component for controlling engine speed and ensuring efficient operation. Designed specifically for the T302TS model, this genuine Shindaiwa part guarantees compatibility and reliability. It plays a crucial role in maintaining optimal performance during trimming and cutting tasks.
Reviews
Add a review
Write Your Own Review
Ask a Question
Customer Questions

