Description
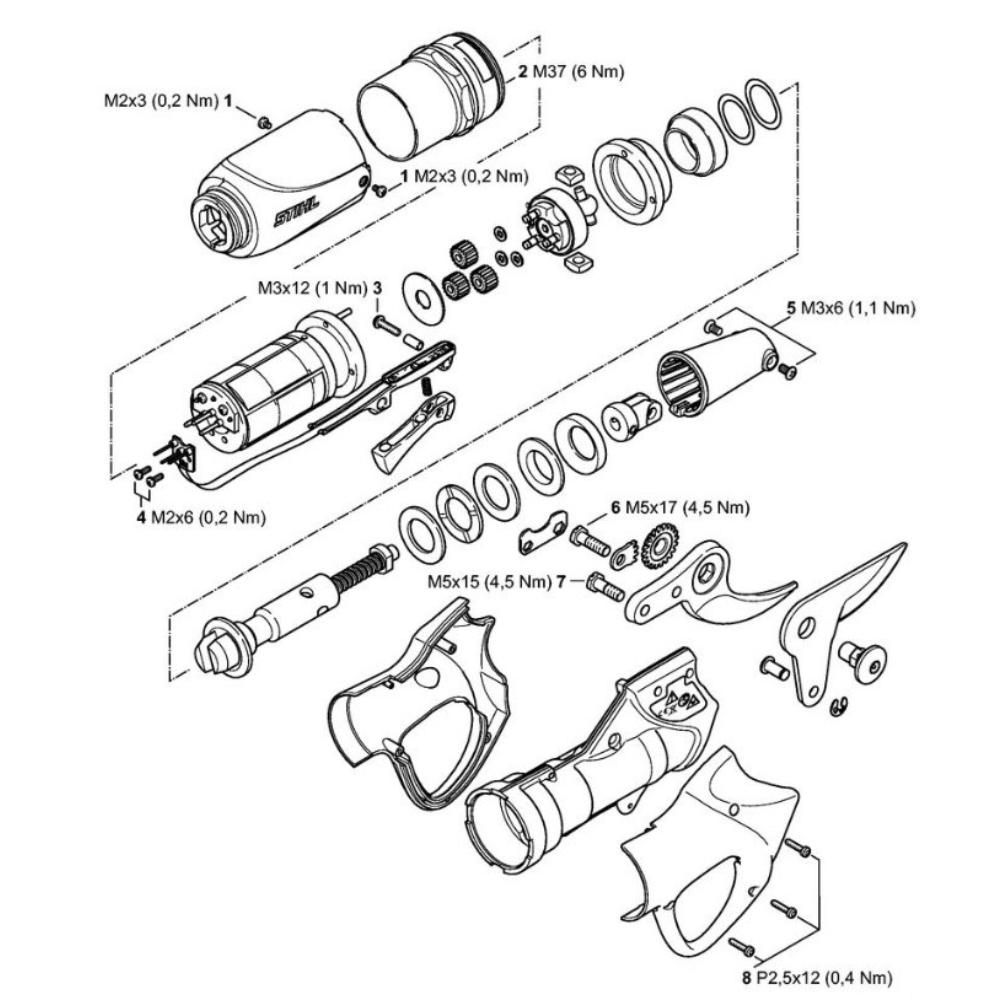
The Tightening Torques Assembly for Stihl ASA 65 Cordless Pruning Shears includes essential components to ensure optimal performance and longevity. This assembly helps maintain the shears by providing the correct torque settings for various parts, reducing wear and tear. Genuine Stihl parts ensure compatibility and reliability.
Reviews
Add a review
Write Your Own Review
Ask a Question
Customer Questions

