Description
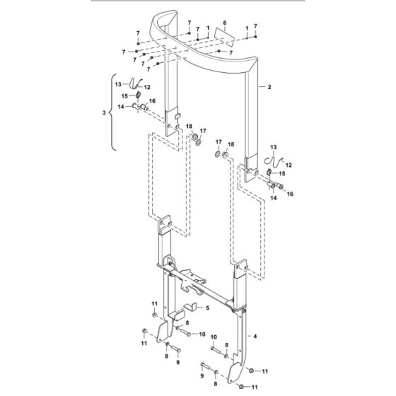
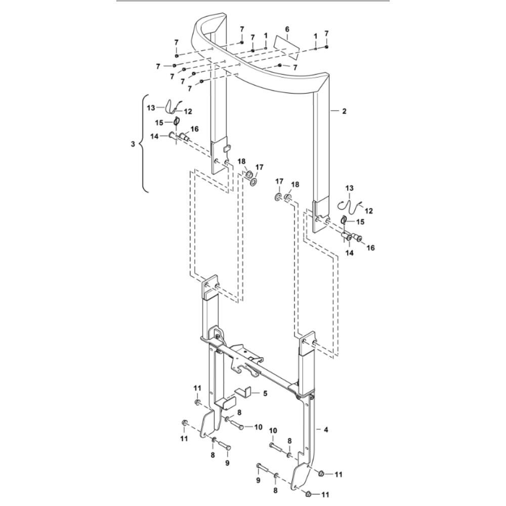
The Tip Over Protective Structure (TOPS) Assembly for BobCat E10 Mini Excavators ensures operator safety by providing a robust framework to prevent rollovers. Suitable for models with serial numbers B4K911001 and above, this assembly includes components like frames, bolts, and brackets. Available in both genuine and non-genuine parts, it is essential for maintaining safety standards and operational integrity.
Reviews
Add a review
Write Your Own Review
Ask a Question
Customer Questions

