Description
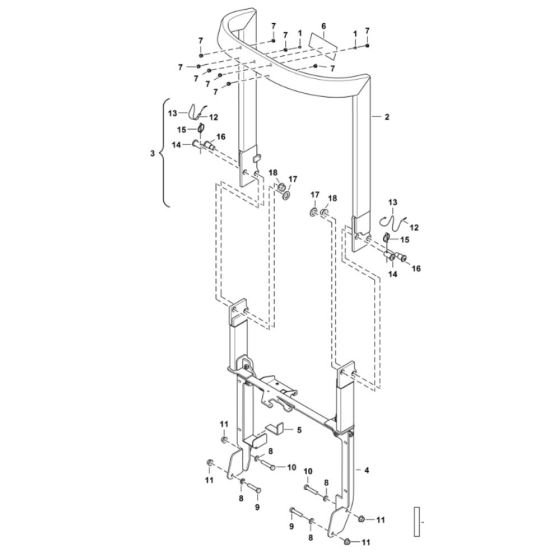
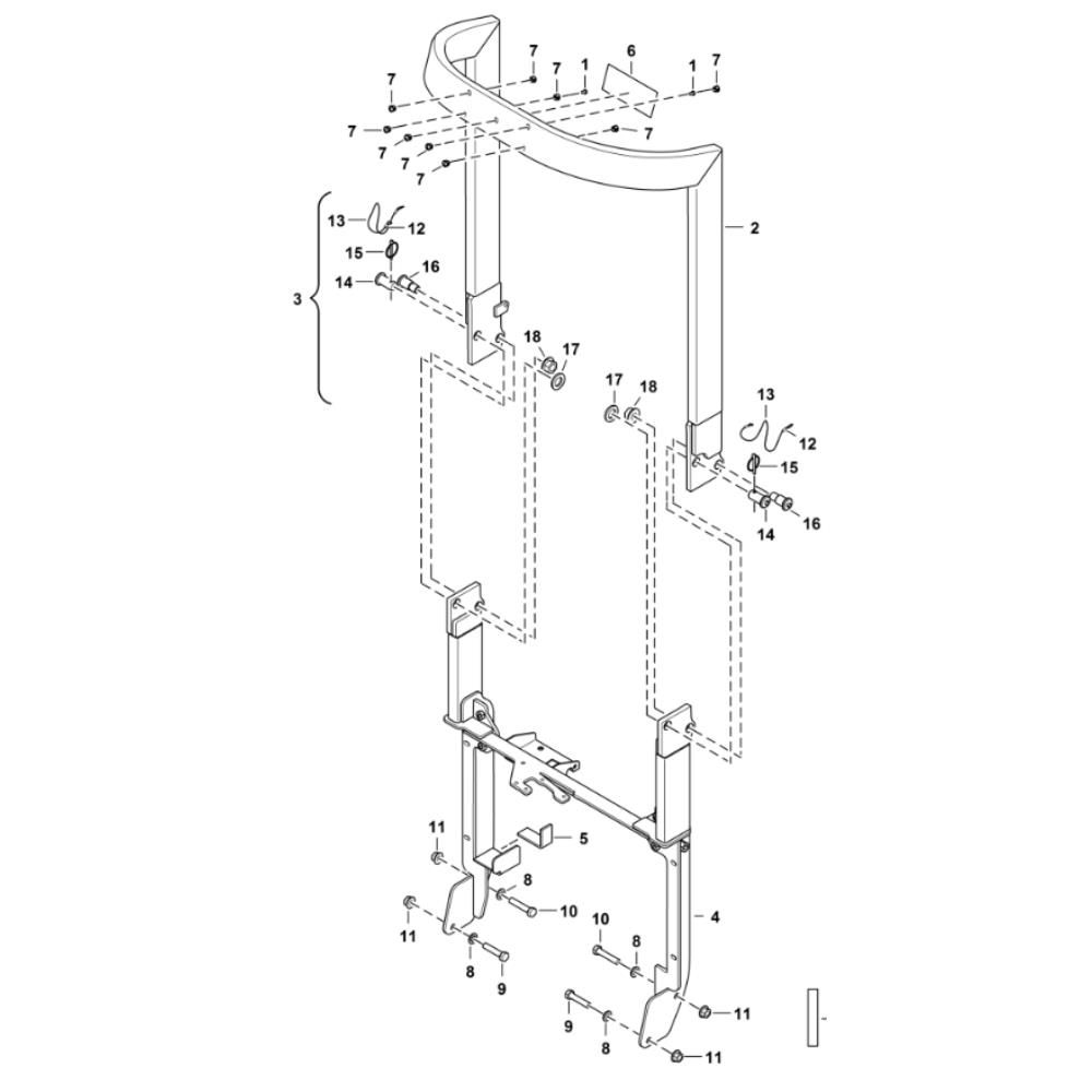
The Tip Over Protective Structure (TOPS) Assembly for BobCat E10Z Mini Excavators is designed to enhance operator safety by preventing rollovers. Suitable for models with serial numbers B4PD11001 and above, this assembly includes components such as frames, mounts, and brackets. Available in both genuine and non-genuine parts, it ensures compliance with safety standards while maintaining machine integrity.
Reviews
Add a review
Write Your Own Review
Ask a Question
Customer Questions

