Description
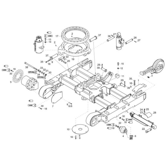
The Track Laying Gear Assembly for the Wacker ET20 Mini Excavator includes essential components for optimal track performance and durability. This assembly ensures smooth operation and stability, featuring parts like rollers, chains, and tensioners. Designed for the Wacker Neuson Mini Excavator, it supports efficient ground contact and manoeuvrability.
Reviews
Add a review
Write Your Own Review
Ask a Question
Customer Questions

