Description
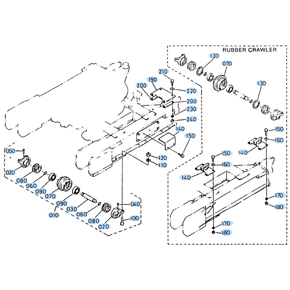
The Track Roller Assembly for the Kubota KH35 Mini Excavator is designed to ensure smooth and efficient operation of the undercarriage. This assembly includes components such as rollers, seals, and bearings, which work together to support the weight of the excavator and facilitate movement over various terrains. Genuine Kubota parts ensure compatibility and reliability for maintenance and repairs.
Reviews
Add a review
Write Your Own Review
Ask a Question
Customer Questions

