Description
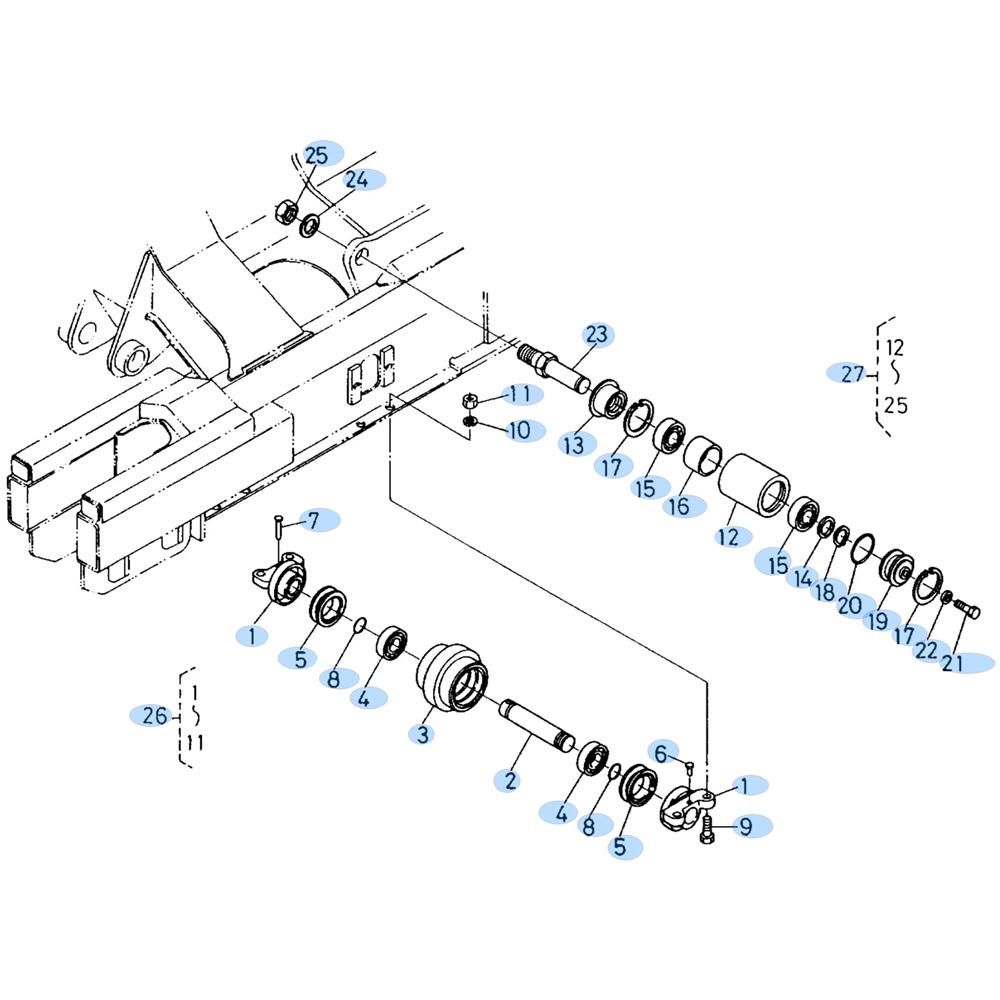
The Track Roller Assembly for the Kubota KH60 Mini Excavator is designed to support the weight of the machine and ensure smooth movement over various terrains. This assembly includes components such as rollers, seals, and shafts, which are crucial for maintaining stability and performance. Genuine Kubota parts ensure compatibility and durability, providing reliable operation in demanding conditions.
Reviews
Add a review
Write Your Own Review
Ask a Question
Customer Questions

