Description
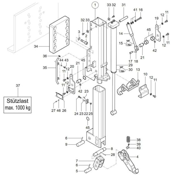
The Trailer Hitch Assembly for the Wacker TH955 (416-16) Telehandler is designed to facilitate secure towing and transport tasks. This assembly includes components essential for hitching, ensuring stability and safety during operation. Genuine Wacker Neuson parts ensure compatibility and reliability, supporting the telehandler's performance in various applications.
Reviews
Add a review
Write Your Own Review
Ask a Question
Customer Questions

