Description
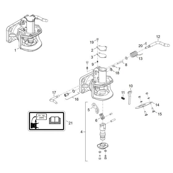
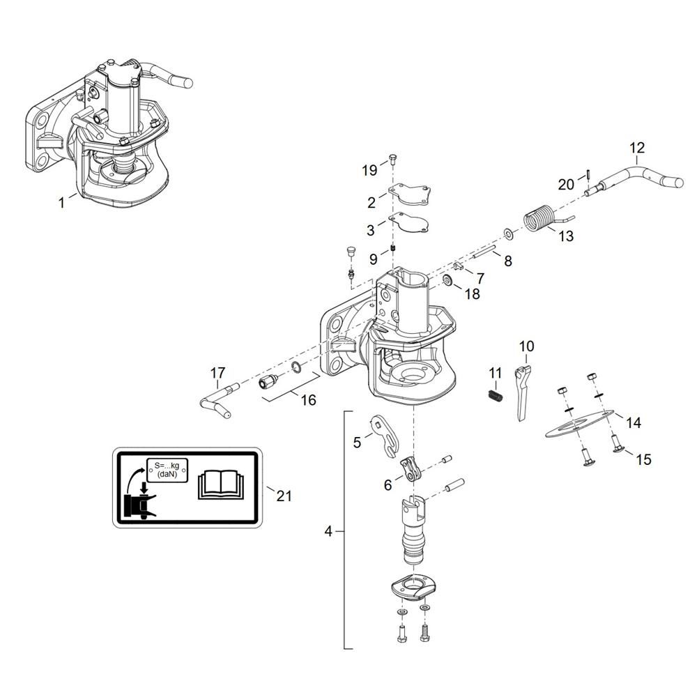
The Trailer Hitch Assembly for the Wacker TH408 Telehandler is designed to facilitate secure towing and transport tasks. This assembly includes essential components such as the hitch, mounting brackets, and safety pins, ensuring reliable performance. Genuine Wacker Neuson parts guarantee compatibility and durability, making it ideal for various telehandler applications.
Reviews
Add a review
Write Your Own Review
Ask a Question
Customer Questions

