Description
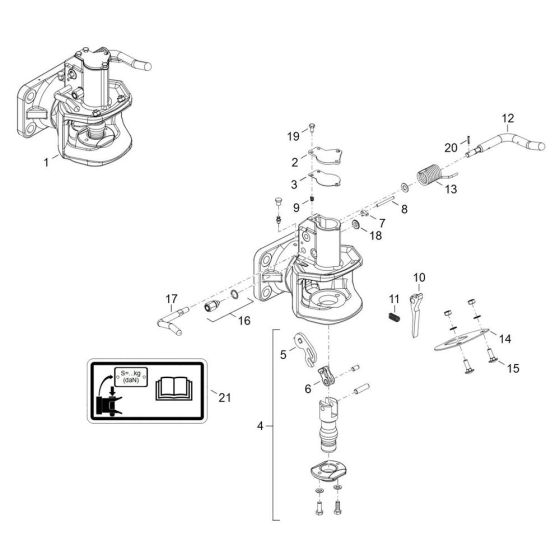
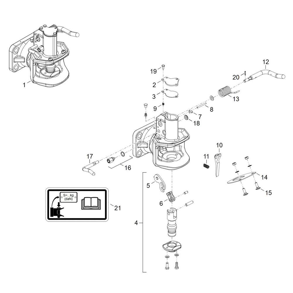
The Trailer Hitch Assembly for the Wacker TH412e Telehandler is designed to facilitate secure towing and transport tasks. This assembly includes components such as the hitch receiver, mounting brackets, and safety chains, ensuring reliable performance. It is essential for maintaining the telehandler's versatility in various operational settings.
Reviews
Add a review
Write Your Own Review
Ask a Question
Customer Questions

