Description
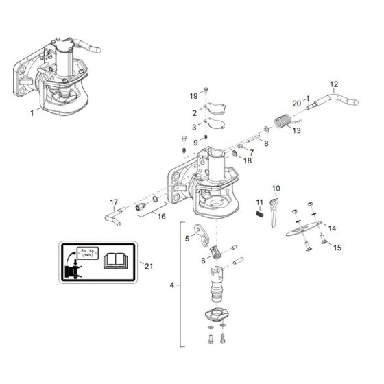
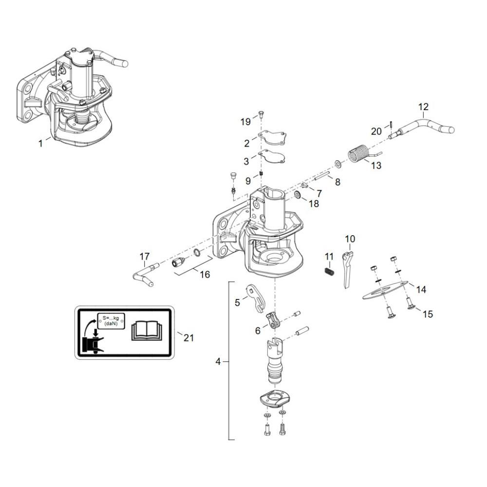
The Trailer Hitch Assembly for the Wacker TH522 Telehandler is designed to facilitate secure towing and transport tasks. This assembly includes essential components such as the hitch receiver, locking pins, and mounting brackets, ensuring compatibility and reliability. Genuine Wacker Neuson parts guarantee optimal performance and durability for heavy-duty applications.
Reviews
Add a review
Write Your Own Review
Ask a Question
Customer Questions

