Description
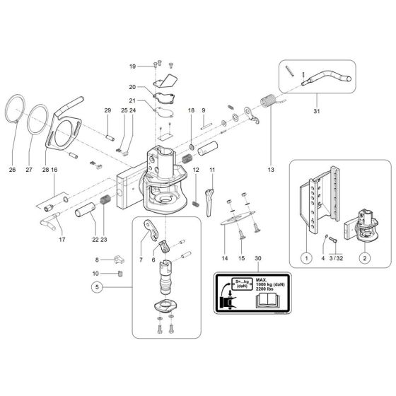
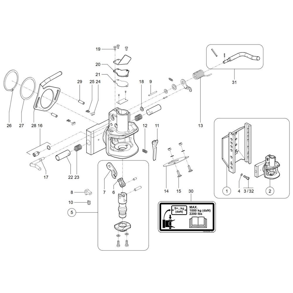
The Trailer Hitch Assembly for the Wacker TH750 (416-18) Telehandler is designed to facilitate towing and transport tasks. This assembly includes essential components such as the hitch receiver, mounting brackets, and locking pins, ensuring secure attachment and reliable performance. Genuine Wacker Neuson parts guarantee compatibility and durability, making it suitable for demanding construction and agricultural applications.
Reviews
Add a review
Write Your Own Review
Ask a Question
Customer Questions

