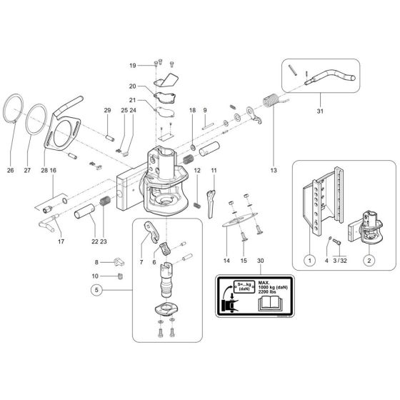
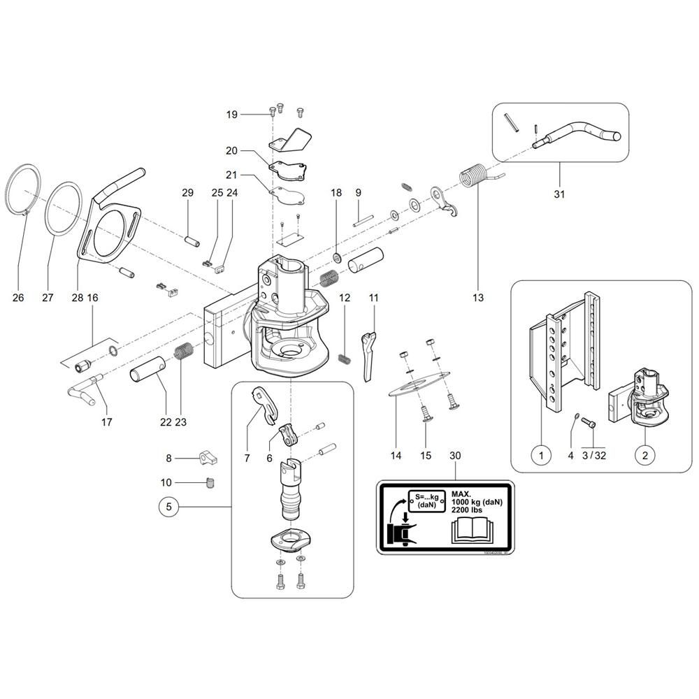
Description
The Trailer Hitch Assembly for the Wacker TH755 (416-04) Telehandler is designed to facilitate towing and transport tasks. This assembly includes key components such as the hitch receiver, mounting brackets, and locking pins, ensuring secure attachment and reliable performance. Genuine Wacker Neuson parts are used to maintain the telehandler's efficiency and safety standards.
Reviews
Add a review
Write Your Own Review
Ask a Question
Customer Questions

