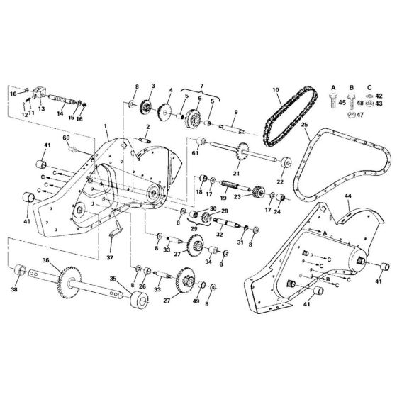
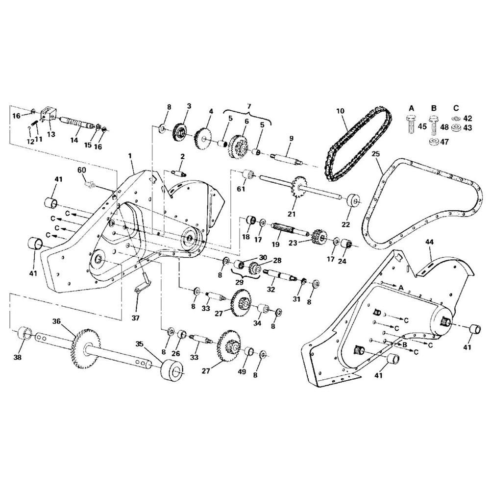
Description
The Transmission Assembly for the Husqvarna CRT 1350 LS Cultivator/Tiller is designed to ensure efficient power transfer and reliable operation. This assembly includes key components such as gears, shafts, and bearings, essential for maintaining the cultivator's performance. Genuine Husqvarna parts ensure compatibility and durability, supporting effective soil cultivation and tilling tasks.
Reviews
Add a review
Write Your Own Review
Ask a Question
Customer Questions

