Description
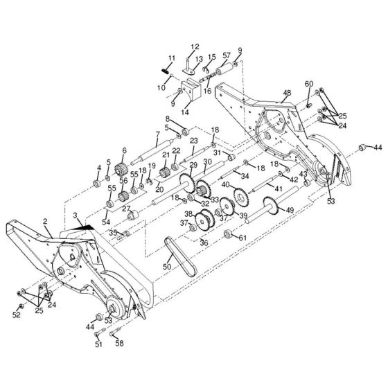
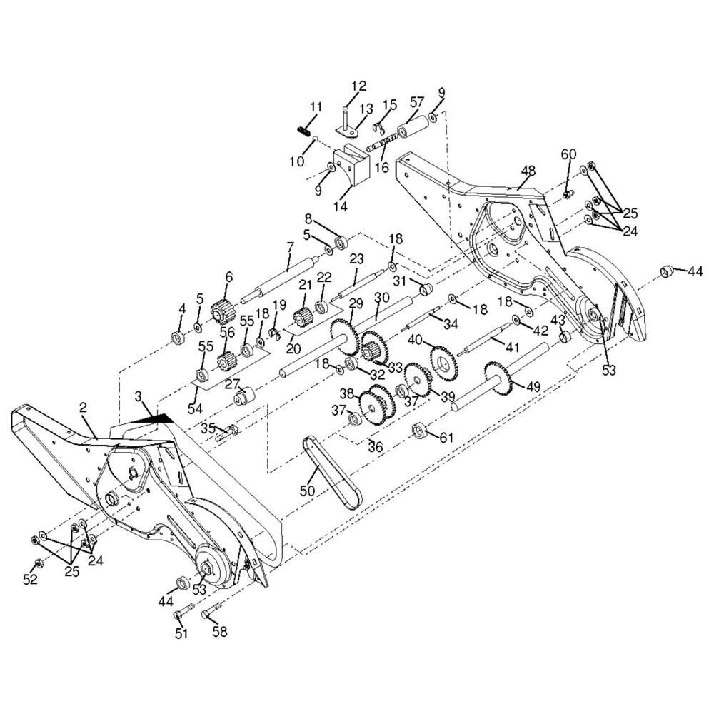
The Transmission Assembly for the Husqvarna DRT 900 Cultivator/Tiller is crucial for efficient power transfer and operation. It includes components such as gears, shafts, and bearings, ensuring smooth and reliable performance. Designed for durability, this assembly helps maintain the tiller's functionality, making it suitable for various soil conditions and gardening tasks.
Reviews
Add a review
Write Your Own Review
Ask a Question
Customer Questions

