Description
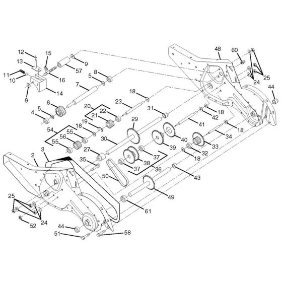
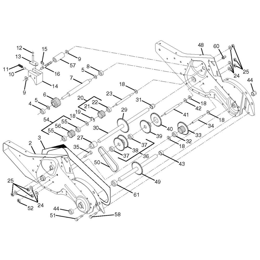
The Transmission Assembly for the Husqvarna DRT 900 H Cultivator/Tiller is essential for efficient power transfer and machine operation. This assembly includes key components such as gears, shafts, and bearings, designed to ensure smooth and reliable performance. Regular maintenance of these parts helps in prolonging the life of your cultivator and maintaining optimal functionality.
Reviews
Add a review
Write Your Own Review
Ask a Question
Customer Questions

