Description
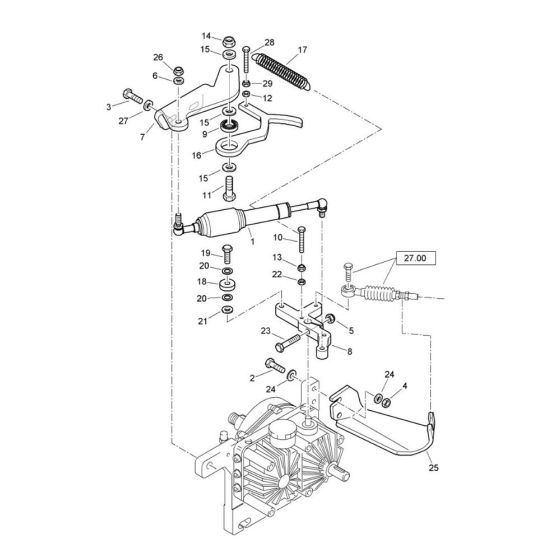
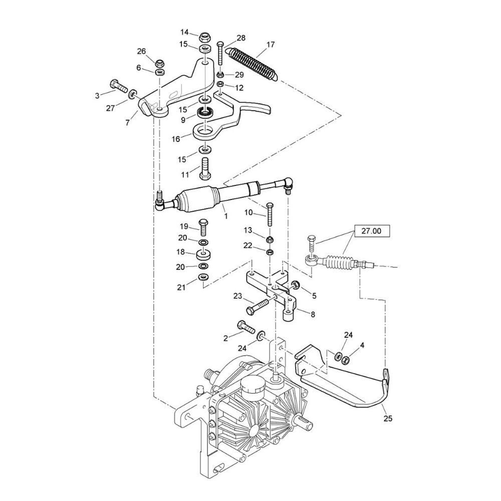
The Transmission Installation for the Bomag BW 71 EHB-2 Roller ensures efficient power transfer and smooth operation. This assembly includes key components such as gears, shafts, and bearings, designed to maintain optimal performance and reliability. Suitable for serial numbers 101620241001 to 101620241038, it supports the roller's functionality in various construction tasks.
Reviews
Add a review
Write Your Own Review
Ask a Question
Customer Questions

