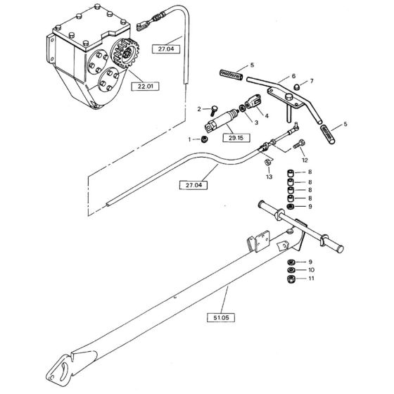
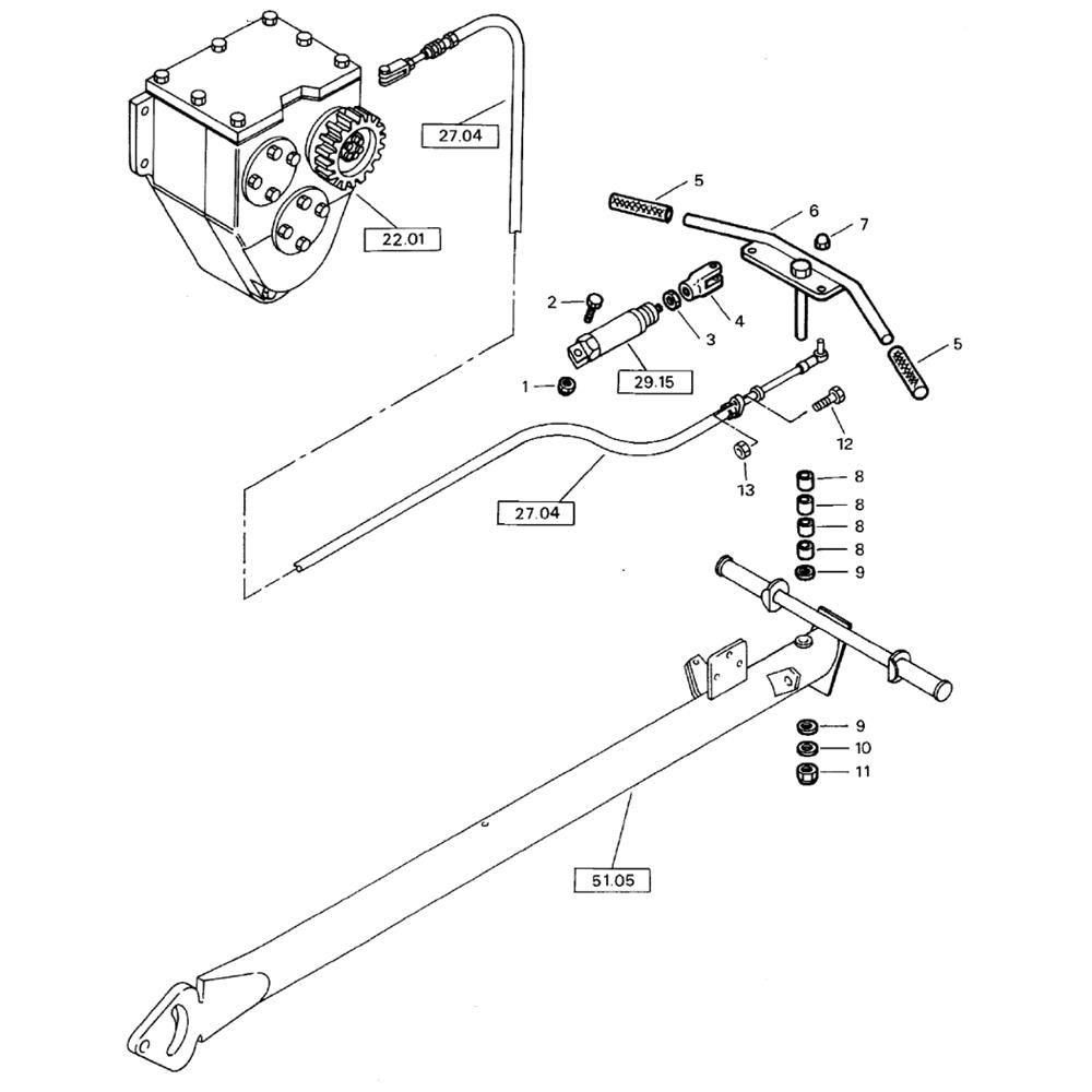
Description
The Travel Actuation Assembly for the Bomag BW 75 E Roller ensures efficient operation by managing the machine's movement. This assembly includes components such as levers, springs, and linkages, which work together to control the roller's travel functions. Designed for specific models, it supports optimal performance and longevity.
Reviews
Add a review
Write Your Own Review
Ask a Question
Customer Questions

