Description
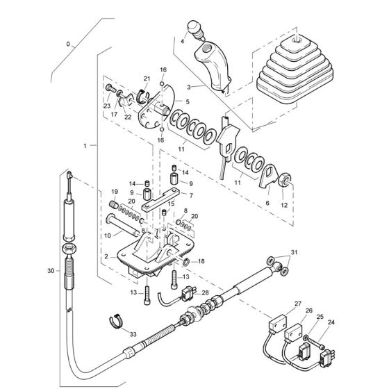
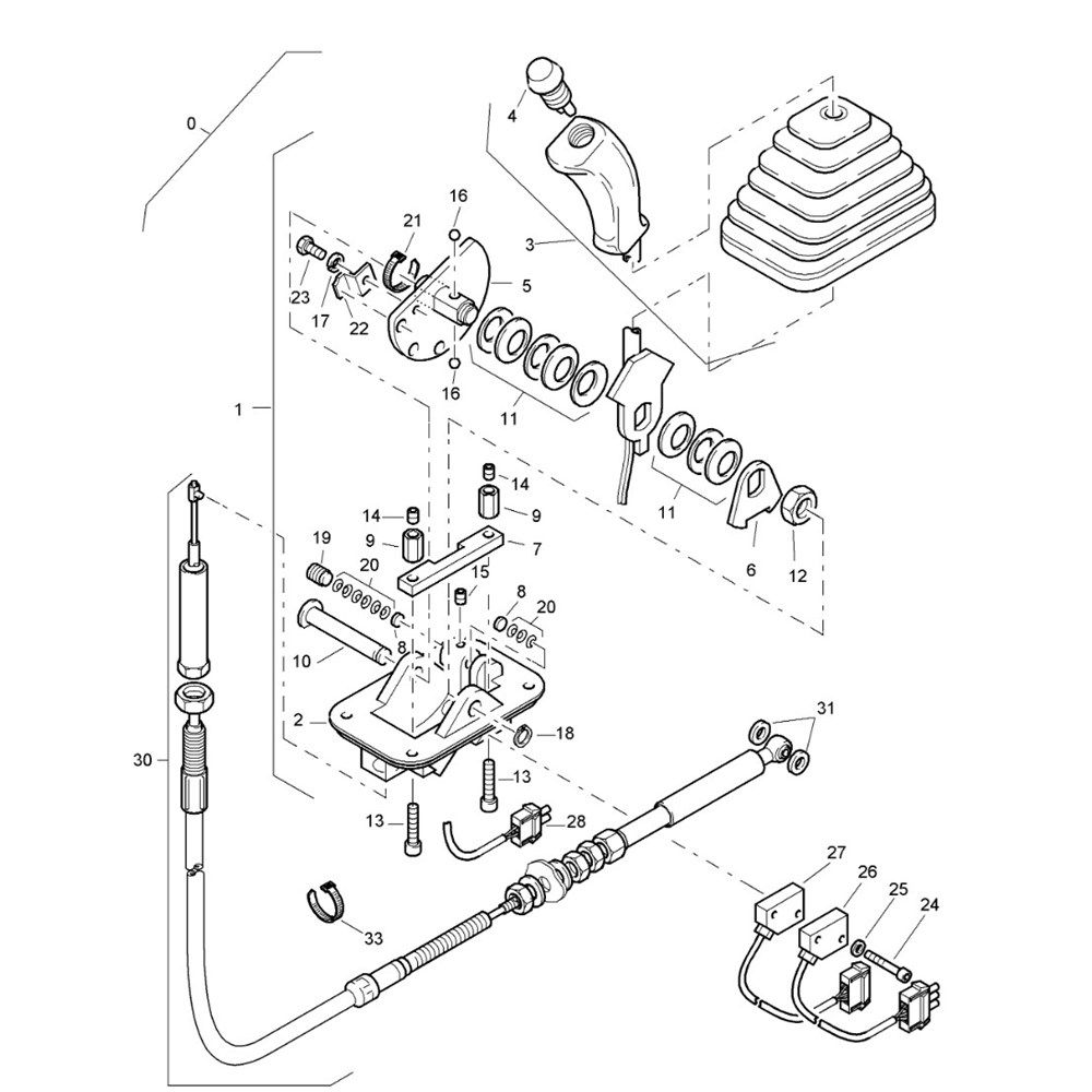
The Travel Actuation Cable Assembly is designed for the Bomag BW80 ADS Roller, ensuring precise control and smooth operation. This assembly includes key components such as cables and connectors, crucial for maintaining the roller's performance. Genuine Bomag parts ensure compatibility and reliability, supporting the roller's vibratory functions effectively.
Reviews
Add a review
Write Your Own Review
Ask a Question
Customer Questions

