Description
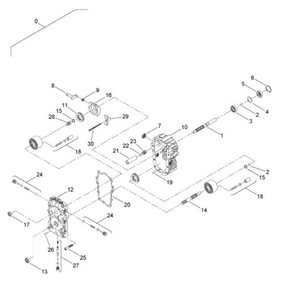
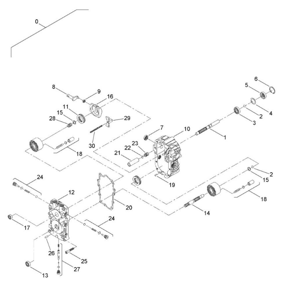
The Travel Gear Unit Assembly for the Bomag BW 71 E Roller is essential for maintaining optimal performance and reliability. This assembly includes key components that ensure smooth operation and efficient power transmission. Designed for specific models, it helps in reducing wear and tear, enhancing the longevity of the roller. Genuine Bomag parts ensure compatibility and durability.
Reviews
Add a review
Write Your Own Review
Ask a Question
Customer Questions

