Description
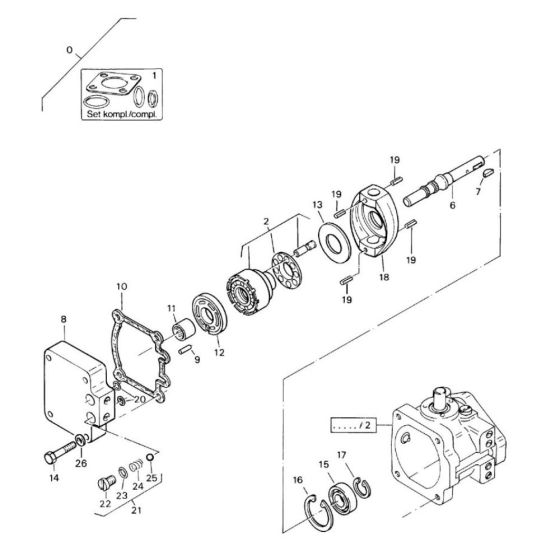
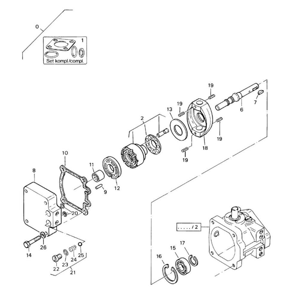
The Travel System Hydraulic Pump Assembly is designed for the Bomag BW 75 AD-2 Roller, ensuring efficient operation and longevity. This assembly includes critical components such as pumps, valves, and seals, essential for maintaining hydraulic pressure and performance. Genuine Bomag parts guarantee compatibility and reliability for your walk-behind double drum roller.
Reviews
Add a review
Write Your Own Review
Ask a Question
Customer Questions

