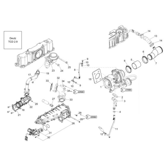
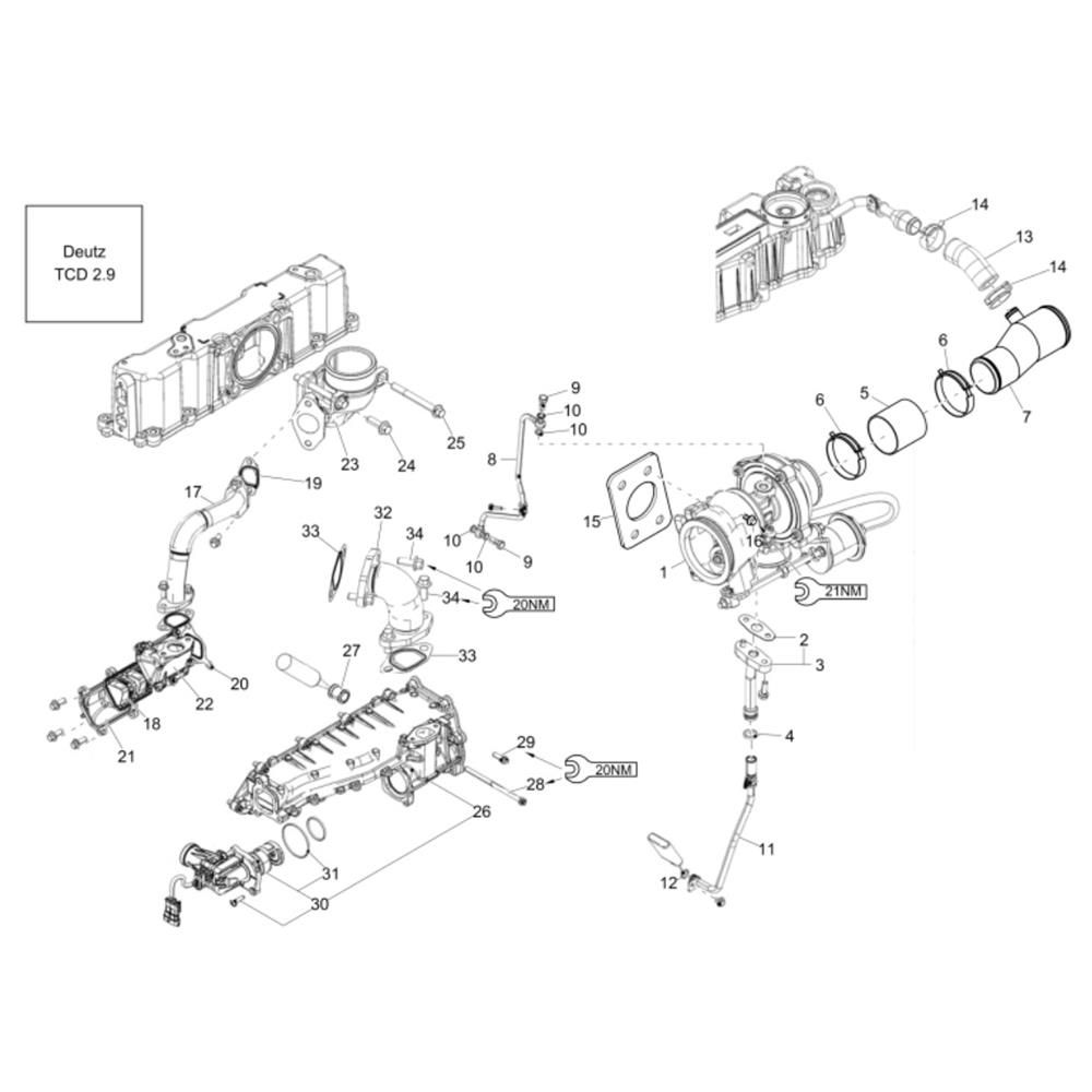
Description
The Turbo Supercharger Assembly for the Wacker DW50 Dumper is designed to enhance engine performance and efficiency. This assembly includes vital components such as turbines, compressors, and housings, ensuring optimal power output and reduced emissions. Genuine Wacker Neuson parts guarantee compatibility and reliability for your dumper.
Reviews
Add a review
Write Your Own Review
Ask a Question
Customer Questions

