Description
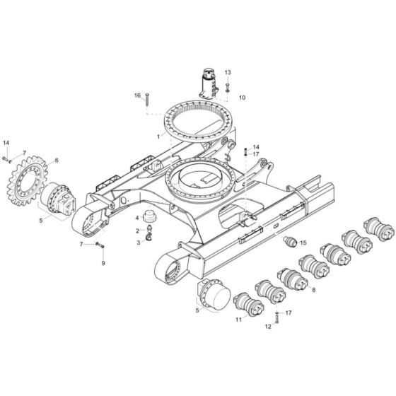
The Undercarriage Assembly for the Wacker ET145 Mini Excavator includes vital components designed to ensure stability and mobility on various terrains. This assembly features genuine Wacker Neuson parts, such as tracks, rollers, and idlers, which are essential for maintaining optimal performance and extending the lifespan of the excavator. Suitable for routine maintenance and repairs.
Reviews
Add a review
Write Your Own Review
Ask a Question
Customer Questions

