Description
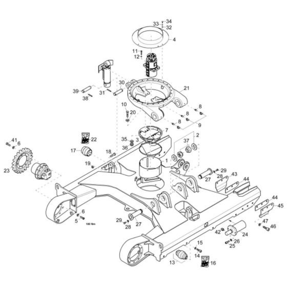
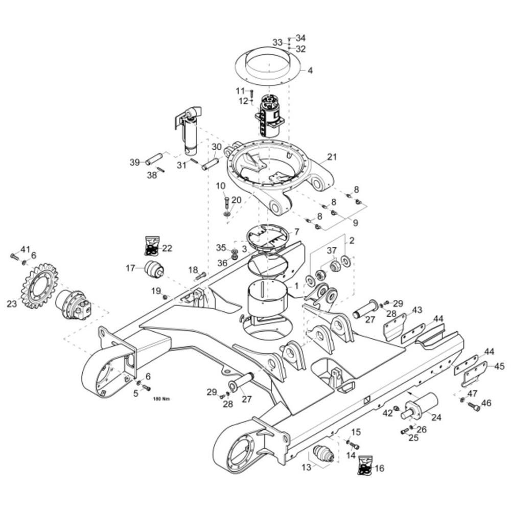
The Undercarriage Assembly for the Wacker EZ53 Mini Excavator is essential for maintaining stability and mobility. This assembly includes critical components such as tracks, rollers, and idlers, ensuring optimal performance and durability. Designed specifically for the Wacker EZ53, these genuine parts help in reducing wear and tear, providing reliable operation in various terrains.
Reviews
Add a review
Write Your Own Review
Ask a Question
Customer Questions

