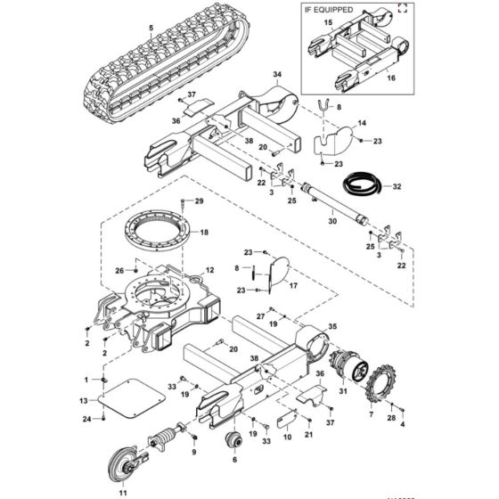
Description
The Undercarriage Assembly for BobCat E20Z Mini Excavators ensures optimal performance and durability. Suitable for models with S/N B4PH11001 & above, it includes components such as tracks, rollers, and idlers. These parts are crucial for maintaining stability and mobility on various terrains. Available in genuine and non-genuine options, this assembly supports efficient operation and longevity of your equipment.
Reviews
Add a review
Write Your Own Review
Ask a Question
Customer Questions

