Description
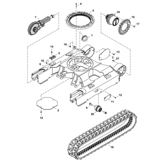
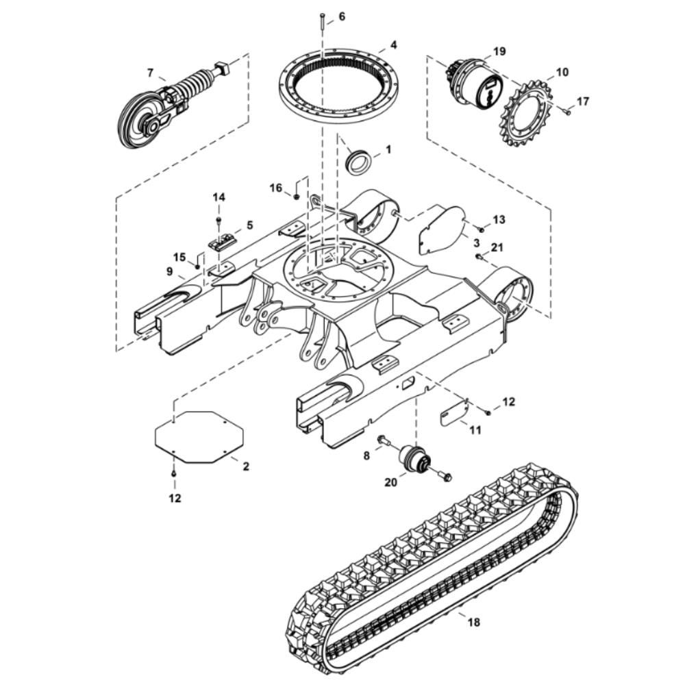
The Undercarriage Assembly for BobCat E25 Mini Excavators is designed to support the machine's weight and ensure stability during operation. This assembly includes components such as tracks, rollers, and idlers, which are crucial for smooth movement and durability. Suitable for models with serial numbers AB8B11001 and above, it offers both genuine and non-genuine parts to meet various maintenance needs.
Reviews
Add a review
Write Your Own Review
Ask a Question
Customer Questions

