Description
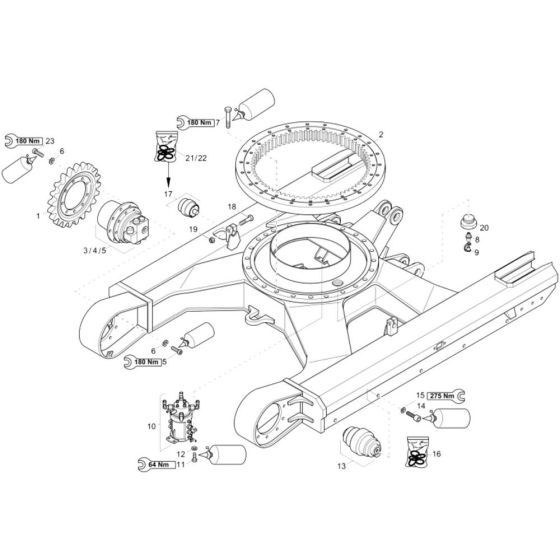
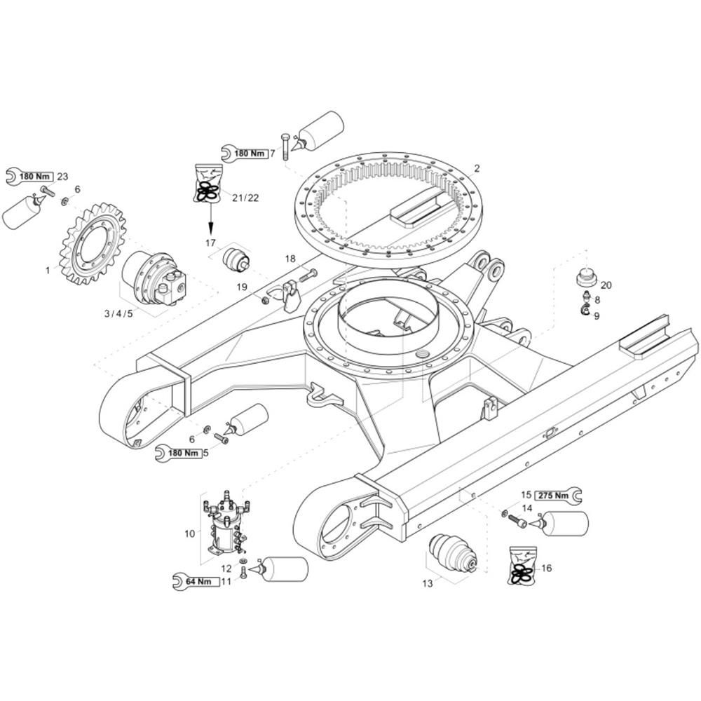
The Undercarriage Assembly for the Wacker 50Z3 Mini Excavator includes essential components for maintaining stability and mobility. This assembly is crucial for distributing the machine's weight and ensuring smooth operation on various terrains. Genuine Wacker Neuson parts are available, including tracks, rollers, idlers, and sprockets, to ensure optimal performance and longevity.
Reviews
Add a review
Write Your Own Review
Ask a Question
Customer Questions

