Description
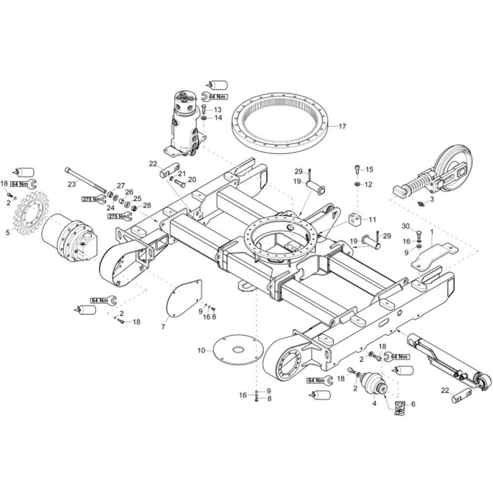
The Undercarriage Assembly for the Wacker ET20 Mini Excavator includes essential components to ensure stability and mobility. Designed for durability and performance, it features tracks, rollers, idlers, and sprockets. These parts work together to support the excavator's weight and facilitate smooth movement across various terrains. Genuine Wacker Neuson parts ensure compatibility and reliability.
Reviews
Add a review
Write Your Own Review
Ask a Question
Customer Questions

