Description
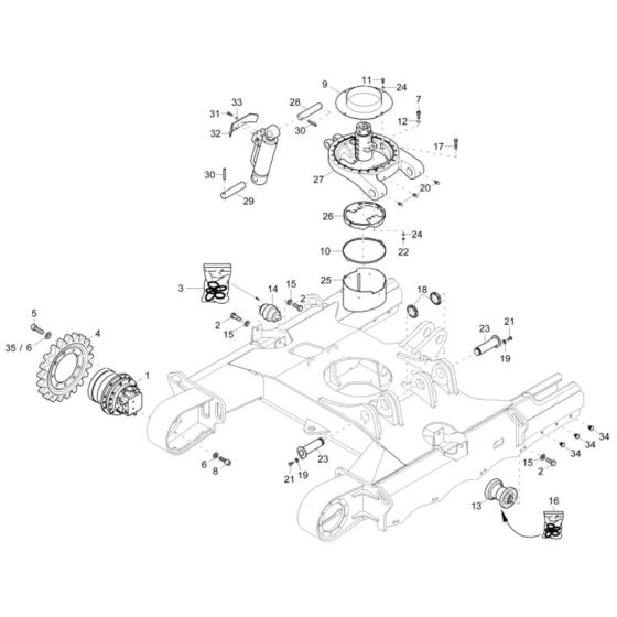
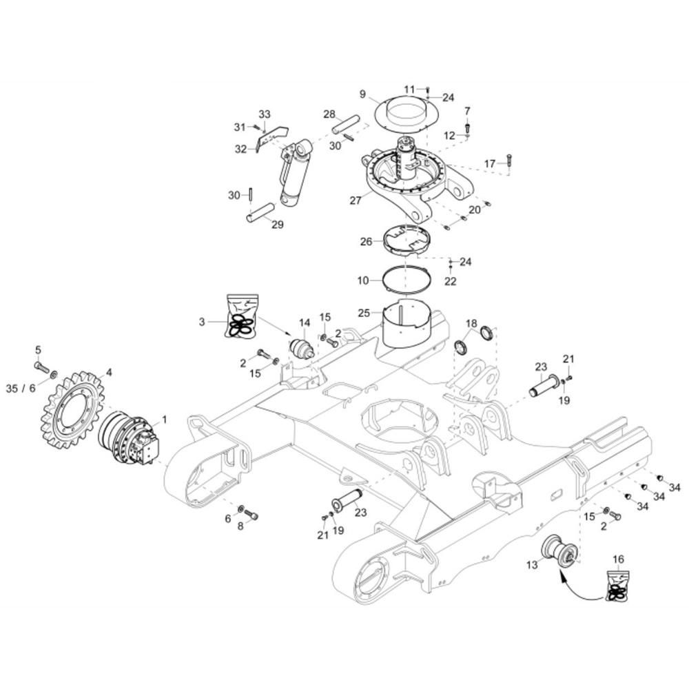
The Undercarriage Assembly for the Wacker EZ36 Mini Excavator includes essential components to ensure stability and mobility. Designed for optimal performance, it features tracks, rollers, idlers, and sprockets, all crucial for smooth operation on various terrains. This assembly supports the excavator's weight and enhances its manoeuvrability, making it suitable for construction and landscaping tasks.
Reviews
Add a review
Write Your Own Review
Ask a Question
Customer Questions

