Description
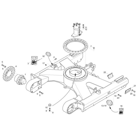
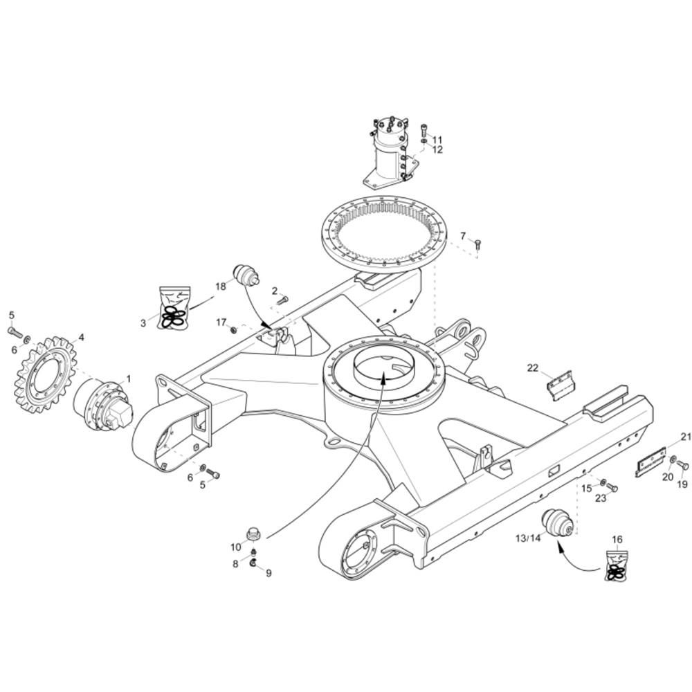
The Undercarriage Assembly for the Wacker EZ38 Mini Excavator includes essential components designed to ensure stability and mobility on various terrains. This assembly is crucial for maintaining the machine's operational efficiency and includes parts such as tracks, rollers, and sprockets. Genuine Wacker Neuson parts ensure compatibility and durability, supporting the excavator's performance in demanding environments.
Reviews
Add a review
Write Your Own Review
Ask a Question
Customer Questions

