Description
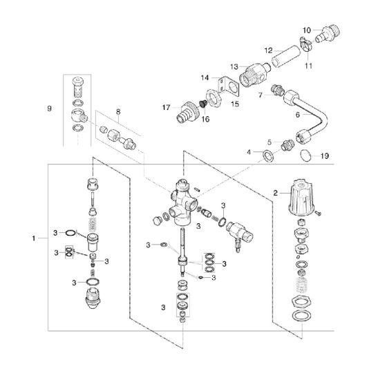
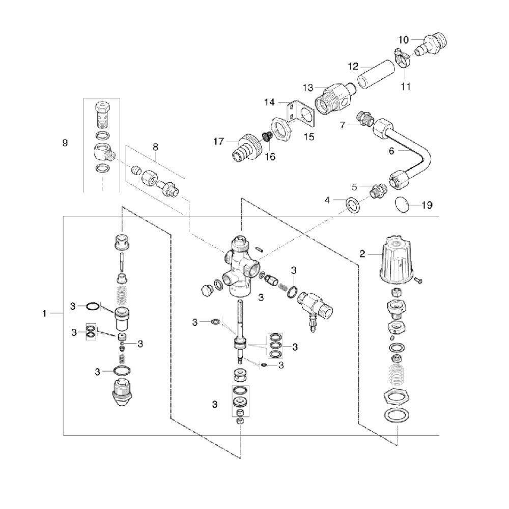
The Unloader Assembly for the Nilfisk MC 5M-195/1000 DE Pressure Washer is designed to regulate water flow and pressure, ensuring optimal performance and safety. This assembly includes components such as valves and seals, essential for maintaining the efficiency and longevity of your pressure washer. Genuine Nilfisk parts guarantee compatibility and reliability.
Reviews
Add a review
Write Your Own Review
Ask a Question
Customer Questions

