Description
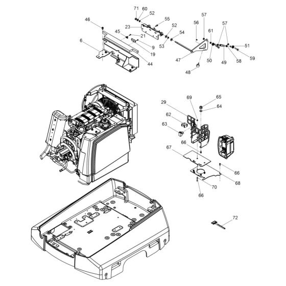
The Upper Mass (Rear) Assembly for the Wacker DPU130 Plate Compactor is essential for maintaining the machine's stability and performance. This assembly includes components like brackets, fasteners, and dampers, which work together to ensure effective operation. Designed for the Wacker Neuson Reversible Plate Compactor, it helps in reducing vibrations and enhancing control during use.
Reviews
Add a review
Write Your Own Review
Ask a Question
Customer Questions

